Rhombus Access Control System
Metal Case Standalone Access Controll RFID EM Reader Keypad
Metal Case Standalone Access Controll RFID EM Reader Keypad
Не удалось загрузить сведения о доступности самовывоза


Metal Case Standalone Access Controller
RFID EM Reader Keypad
Features
- Perfect disign, Metal Case with Luminous keypad, anti-vandal
- Indoor use.
- WG26 output, can be used as a Access reader.
- Capacity:2000 users
- Access ways : cards ,code,card &code.
- Low power :static current less than 30mA.
- Support keypad operating alone, unrelated with card
- Open-door time: 0~99 seconds(adjustable)
- Users can reset private passwords.
- Search fast less than 0.1s .
- With standard Wiegand interface, Wg26 for card or Wg34 for codes.
- Use keypad to delete lost cards for safety.
- Short-circuit protect : when relay or alarm output appear short-circuit, the Output
will close automatically within 100μS.
Specifications
|
Card Type: |
EM |
|
Working Voltage: |
DC12V±10% |
|
Current: |
≤30mA |
|
Output: |
WG26 |
|
User Capacity |
2000 |
|
Access Ways |
cards ,code,card &code |
|
Lock Output Load: |
≤3A |
|
Reading Range: |
3~6cm |
|
Operating Temperature: |
-35℃~60℃ |
|
Operating Humidity: |
10%~90% |
|
Alarm Output Load: |
≤20A |
|
Short-Circuit Protect: |
≤100μS |
|
Door Opening Time: |
0~99s (Adjustable) |
|
Dimensions: |
110 *75 *25mm |
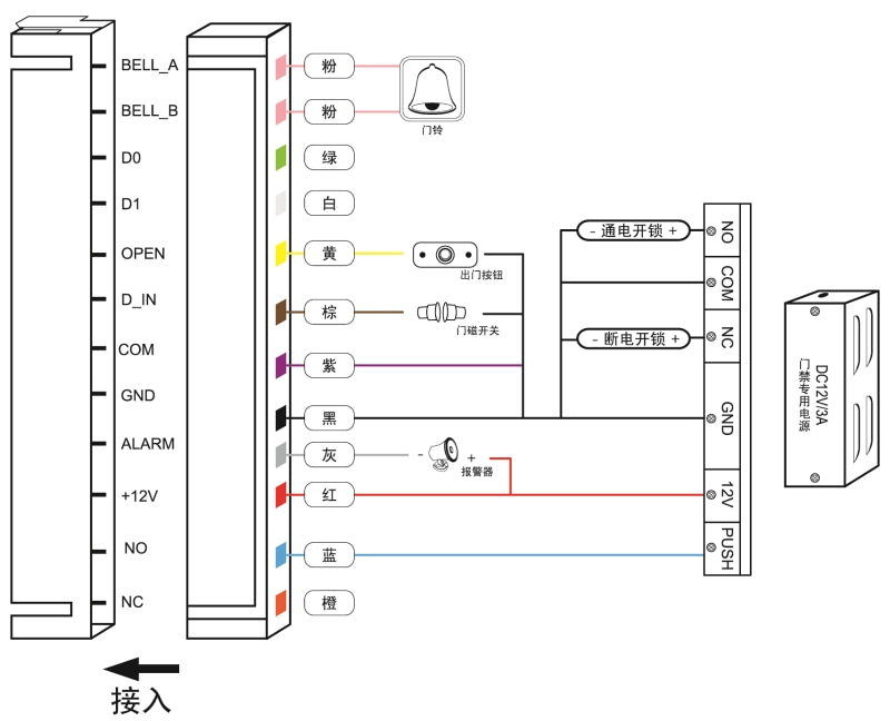
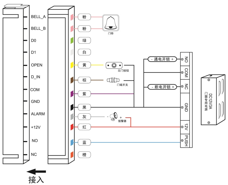
Wiring
|
Colour |
Function |
Description |
|
Pink |
BELL_A |
Doorbell button one end |
|
Pale blue |
BELL_B |
Doorbell button to the other end |
|
Green |
D0 |
WG output D0 |
|
White |
D1 |
WG output D1 |
|
Grey |
ALARM |
Alarm negative(alarm positive connected 12 V+) |
|
Yellow |
OPEN |
Exit button one end(the other end connected GND) |
|
Brown |
D_IN |
Magnetic switch one end(the other end connected GND) |
|
Red |
12V+ |
12V + DC Regulated Power Input |
|
Black |
GND |
12V - DC Regulated Power Input |
|
Blue |
NO |
lay normally-on end(Connect positive electric lock "-") |
|
Purple |
COM |
Relay Public end, connect GND |
|
Orange |
NC |
Relay Closed end(connect negative electric lock "-") |
Common power supply diagram:

Special power supply diagram:

The unit operating as a Wiegand Output Reader:

Important Notice:
Please note that "exit button", "electric lock" and "DC 12V power supply" are not included in this package, please kindly refer to our store for all available accessories for Access Control.
Installation
- Remove the back cover from the keypad using the supplied special screw driver
- Drill 2 holes on the wall for the Self tapping screws and I hole for the cable
- Put the supplied rubber bungs to into the two holes
- Fix the back cover firmly on the wall with 2 Self tapping screws
- Thread the cable through the cable hole
- Attach the keypad to the back cover.
Package includes:
- 1 x Waterproof Door Access Control RFID Reader with Keypad Metal Case
- 1 x Installation Kit
- 1 x Installation Fixed Label
- 1 x User Manual
