Rhombus Access Control System
Metal Case Standalone Access Controll Waterproof IP68 RFID EM Reader Keypad/K6
Metal Case Standalone Access Controll Waterproof IP68 RFID EM Reader Keypad/K6
Не удалось загрузить сведения о доступности самовывоза


Features
- Zinc Alloy case, anti-vandal.
- Standalone access control with card reader function.
- 2000 users, supports cards ,password,card &password.
- Built in buzzer alarm for anti tamper.
- With doorbell key, can connect with any doorbell.
- Waterproof: IP68
- Card type: EM
- Dimensions: 86*86*23mm
Specifications
|
Card Type: |
EM |
|
Working Voltage: |
DC12V±10% |
|
Current: |
≤30mA |
|
Output: |
WG26 |
|
User Capacity |
2000 |
|
Access Ways |
cards ,password,card &password |
|
Lock Output Load: |
≤3A |
|
Reading Range: |
3~6cm |
|
Operating Temperature: |
-35℃~60℃ |
|
Operating Humidity: |
10%~90% |
|
Alarm Output Load: |
≤20A |
|
Short-Circuit Protect: |
≤100μS |
|
Door Opening Time: |
0~99s (Adjustable) |
|
Dimensions: |
86 *86 *23mm |
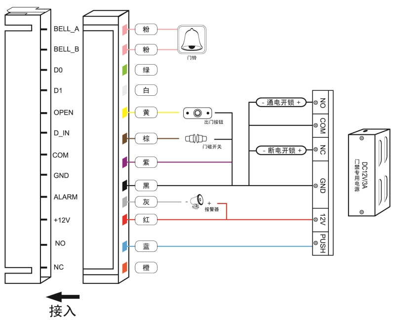
Wiring
|
Colour |
Function |
Description |
|
Pink |
BELL_A |
Doorbell button one end |
|
Pale blue |
BELL_B |
Doorbell button to the other end |
|
Green |
D0 |
WG output D0 |
|
White |
D1 |
WG output D1 |
|
Grey |
ALARM |
Alarm negative(alarm positive connected 12 V+) |
|
Yellow |
OPEN |
Exit button one end(the other end connected GND) |
|
Brown |
D_IN |
Magnetic switch one end(the other end connected GND) |
|
Red |
12V+ |
12V + DC Regulated Power Input |
|
Black |
GND |
12V - DC Regulated Power Input |
|
Blue |
NO |
lay normally-on end(Connect positive electric lock "-") |
|
Purple |
COM |
Relay Public end, connect GND |
|
Orange |
NC |
Relay Closed end(connect negative electric lock "-") |
Common power supply diagram:

Special power supply diagram:

The unit operating as a Wiegand Output Reader:

Important Notice:
Please note that "exit button", "electric lock" and "DC 12V power supply" are not included in this package, please kindly refer to our store
for all available accessories for Access Control.
Installation
- Remove the back cover from the keypad using the supplied special screw driver
- Drill 2 holes on the wall for the Self tapping screws and I hole for the cable
- Put the supplied rubber bungs to into the two holes
- Fix the back cover firmly on the wall with 2 Self tapping screws
- Thread the cable through the cable hole
- Attach the keypad to the back cover.
Package includes:
- 1 x Waterproof Door Access Control RFID Reader with Keypad Metal Case
- 1 x Installation Kit
- 1 x Installation Fixed Label
- 1 x User Manual
